來源:來源:校車網
作者:網絡
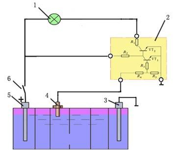
校車蓄電池液面過低報警燈電路:
1-報警燈;2-控制器;3-蓄電池負極;4-傳感器接線柱;5-蓄電池正極;6-點火開關
空氣濾清器堵塞報警燈電路:
1-濾芯;2-固定觸點;3-膜片;4-動觸點;5-報警燈;6-點火開關


1、凡本網注明"來源:本站"的所有作品,版權均屬于校車網,未經本網授權,任何單位及個人不得轉載、摘編或以其它方式使用上述作品。已經本網授權使用作品的,應在授權范圍內使用,并注明"來源:m.txglnk.com!"。違反上述聲明者,本網將追究其相關法律責任。
2、凡本網注明"來源:XXX(非校車網)"的作品,均轉載自其它媒體,轉載目的在于傳遞更多信息,并不代表本網贊同其觀點和對其真實性負責。
3、如因作品內容、版權和其它問題需要同本網聯系的,請在30日內進行。
※有關作品版權事宜請聯系:master@xiaoche001.com